
以某工廠為例: 宿舍一棟,共5層,每層10間房,每間房住8人,共住400人,
1、用水量計算:桶提30公斤/人/天 花灑50公斤/人/天
(方案一)桶提總用水量:400人×30公斤/人/天=12000公斤/天=12噸
(方案二)花灑總用水量:400人×50公斤/人/天=20000公斤/天=20噸
酒店熱水工程熱水系統設計:
1、用水量的計算方法:(某酒店為例)
A.客房100間,每間客房用水量按200kg計算,入住率為100%,
100間×200kg/間×100%=20000kg,客房用水量每天20噸
B.沐足100位,預計客流量每天200人,每人按25kg計算,
200人×25kg/人=5000kg,沐足用水量每天5噸

佛山聚陽新能源有限公司
我們一定以優質的服務為您解答疑惑!您的滿意就是對我們最大的肯定!
招商加盟代理熱線:賀小姐 18900875580
招商熱線:400-0286-606
網址:http://www.guowei-pbx.com.cn
郵箱:info@dkren.com
地址:佛山市南海區里水鎮麻奢新星工業區工路北16號
3P-15P變頻采暖機組聚陽說明書 聚陽空氣能變頻采暖說明書
3P-15P變頻采暖機組聚陽說明書 聚陽空氣能變頻采暖說明書
3P-60P低環境溫度空氣源熱泵(冷水)機組使用說明書 聚陽低溫定頻機組說明書
3P-60P低環境溫度空氣源熱泵(冷水)機組使用說明書 聚陽低溫定頻機組說明書
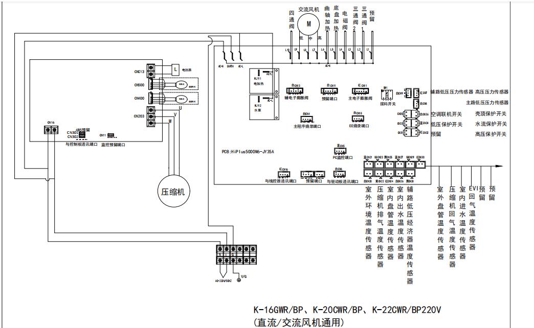
聚陽采暖空氣能5P6P8P220V接線圖(交直流電機通用)(舊款5000RM)-模型
聚陽空氣能采暖5P6P8P220V接線圖(交直流電機通用)(舊款5000RM)-模型
聚陽空氣能商用機熱水說明書品牌+通用
聚陽 商用機3P-7P單系統空氣源熱泵控制器技術規格書
聚陽空氣能15P-30P增焓雙系統超低溫空氣能控制說書
聚陽空氣能3P-15P低溫變頻空氣能控制器說明書
聚陽空氣能50P-60P四機頭超低溫空氣能熱泵技術規格書
聚陽3P-6P煤改電低溫增焓空氣能熱泵控制器規格書
空氣源變頻熱泵 控制規格書 (聚陽) 目 錄 一、 概述........................................................................................................................................5 1、適用范圍...............
熱泵工作原理:空調器由壓縮機、冷凝器、蒸發器、毛細管、連接管等組成一個封閉式的循環系統,在系統內充注一種制冷劑(R22即氟里昂),空調器運行后,壓縮機把制冷劑壓縮后變成高溫高壓的氣體排入冷凝器,在冷凝器內,制冷劑蒸氣將熱量放給流過的水(液...
空氣能熱泵熱水器也稱“空氣源熱泵熱水器”“熱泵熱水器”“空氣能熱水器” 等。空氣能熱泵熱水器(空氣源熱泵熱水器)中的熱泵能把空氣中的低溫熱能吸收進來,經過壓縮機壓縮后轉化為高溫熱能,加熱水溫。這種熱水器(空氣源熱泵熱水器)具有高效節能的...


















